Водогрейные котлы на дровах 700 кВт мощностью 700 кВт предназначены для больших помещений и зданий, а также промышленных котельных с целью получения горячей воды номинальной температурой на выходе из котла 95 °С, рабочим давлением до 0,6 (6,0) МПа (кгс/см), используемой в системах централизованного теплоснабжения на нужды отопления, горячего водоснабжения. Агрегат приспособлен для работы в открытых и закрытых системах теплоснабжения с принудительной циркуляцией воды. Вид сжигаемого топлива: дрова, в качестве резервного предусмотрена возможность сжигания каменного и бурого угля.
Котел отопления на дровах 700 кВт Барнаул изготавливается водотрубным, газоплотным, прямоточным, горизонтальным с принудительной тягой. Агрегат имеет гидравлическую схему потока воды исключающую образование застойных зон, перегрев поверхностей нагрева, обеспечивает хороший теплосъем, отсутствие накипи и, следовательно, необходимость в водоподготовке. Качественная газоплотная теплоизоляция котлоагрегата гарантирует максимальное уменьшение потерь тепла через стенки котла и изоляцию, отсутствие присосов холодного воздуха в топочную камеру котла, делая процесс горения топлива более интенсивным и эффективным.
Большой объем топочной камеры обеспечивает более полное выгорание топлива и снижает механический и химический недожог. Стальной трубный водогрейный котел на твердом топливе дровах 700 кВт с развитой конвективной поверхностью нагрева имеет температуру уходящих газов не более 150 °С и как следствие минимально возможные потери с уходящими газами. Котлоагрегаты изначально разработаны с целью снижения прямых затрат при производстве тепловой энергии за счет эффективного сжигания древесного топлива и удобства его эксплуатации.
Котел на дровах водогрейный промышленный 700 кВт производства Котельного завода «РЭП» конструктивно выполнен моноблоком: блок котла и ручная колосниковая топка.
Блок котлоагрегата представляет собой сварную конструкцию, состоящую из трубной системы (радиационной и конвективной поверхности нагрева), опорной рамы и каркаса с теплоизоляционными материалами, обшитого листовой сталью. Твердотопливный дровяной водогрейный котел 700 кВт имеет надежную П-образную сомкнутую компоновку. Газы в конвективной части проходят два хода и выходят через газоход в верхней части задней стенки агрегата.
Под решеткой находится воздушный короб с лючком для очистки короба от золы и шлака. В нижней части конвективной поверхности котлоагрегата находится зольный бункер с лючком для очистки его от золы. Теплоизоляция блока котельной установки выполнена из муллитокремнеземистого войлока и теплоизоляционной плиты ПТЭ. Обшивка агрегата выполнена из стальных листов. Для очистки конвективных поверхностей нагрева от сажистых отложений предусмотрены двери.
Водонагревательный производственный котел на дровах 700 кВт для отопления выполняется с ручной топкой, экологичное древесное топливо в топку агрегата подается вручную. Под колосники с помощью вентилятора подают воздух, используемый для горения древесного топлива. Древесное топливо забрасывают на колосниковую решетку через верхнее загрузочное окно, закрывающееся топочной дверцей, зола проваливается в отверстия колосников, либо выгребается через загрузочную дверцу. Под решеткой котельный блок имеет воздушный короб с лючком для очистки короба от золы. Короб служит для распределения воздушного потока, поданного вентилятором. Для удобства обслуживания котлоагрегата устанавливаются люки. Возможно выполнение выходного газового окна на задней стенки котельного блока или на крыше. В случае необходимости возможно изготовление опускных газоходов за котлом.
Отечественный дровяной производственный котел 700 кВт работает с принудительным поддувом, который обеспечивает дутьевой вентилятор, и естественной тягой при наличии достаточной высоты дымовой трубы самонесущей или дымовой трубы на растяжках и правильно выполненных газоходах.
Водяные котлы нашего производства являются аналогами котлов на дровах таких производителей как Теплодар, ЭПМ, Теплогидромаш, Уралкотел, Lavoro eco, таких серий как DRAGON HT 700, Гейзер-termowood УВТ.0700В, FireWood 700, а также котлов на дровах серии КВСрд.
Котлы дровяные водогрейные 700 кВт российского производства поставляются готовыми напольными блоками в обшивке с чугунной топочной дверкой, с зольником и комплектом колосников, либо топкой РВР. С котлом поставляется паспорт и инструкция по эксплуатации.
По запросу поставляется комплект обязательной арматуры, КИП и ДВ: затворы дисковые - 2 шт., запорные вентили - комплект, предохранительные клапаны - 3 шт., термометры с оправой - 2 шт., манометры с кранами - 2 шт., вентилятор - 1 шт.
Кроме того котельные установки могут быть выполнены в двух вариантах изоляции: блок котла в обшивке и изоляции; блок котла (без обшивки и изоляции, под тяжелую обмуровку).
Автоматика подбирается по техзаданию.
Стационарный отопительный котел на дровах 700 кВт Россия работает с ДН 3,5 с дв. 3,0/1500. При установке дымососа на группу котлов, дымосос подбирается индивидуально согласно опросному листу.
Для обеспечения циркуляции воды через котел, либо группу котлов применяется циркуляционный насос, для подпитки котла применяется подпиточный насос.
Дымовая труба - подбирается по техзаданию, на котел или группу котлов.
Котел промышленный на дровах 700 кВт - компактный, транспортируется автотранспортом, но в зависимости от удаленности и возможности подъезда автотранспорта доставка может осуществляться ж/д контейнером. Для оценки стоимости доставки пришлите заявку и мы оперативно проведем расчет стоимости доставки котельного оборудования до вашего города или населенного пункта. Для вашего удобства предлагаем оформить заявку и уточнить интересующую вас информацию онлайн.
Для того чтобы купить отопительный котел на дровах 700 кВт в Абакане, вы можете сделать заявку в отдел сбыта по телефону (38-52) 29-97-41 (42), либо оформить заявку онлайн, стоимость указана на сайте. Наши менеджеры дадут консультацию по подбору вспомогательного оборудования для выбранных вами моделей и рассчитают стоимость доставки до вашего региона и населенного пункта. Также предлагаем вам выполнить проект реконструкции котельной.
Цена водогрейного котла на дровах 700 кВт в Абакане включает в себя котельный блок в изоляции, колосники, вентили, затворы, манометры, термометры, вентилятор поддува и предохранительные клапаны. Ниже приведена подробная информация.
Для эффективной и надежной работы котла на дровах 700 кВт в вашей котельной вам потребуется дополнительное оборудование - автоматика ЩУК, дымосос, насос сетевой и подпиточный, золоуловитель (по желанию), газоходы и переходники для газового тракта, дымовая труба. Мы предлагаем рассмотреть типовые варианты комплектации.
В случае если у вас на объекте уже имеется насосное и тягодутьевое оборудование, мы можем проверить совместимость котла на дровах 700 кВт нашего производства и вашего оборудования.
Можем изготовить нестандартные узлы для выполнения быстрого монтажа котла - газоходы и узлы обвязки.
Типовую схему монтажа котла вы можете посмотреть во вкладке схемы подключения и монтаж.
Щит водогрейного котла обеспечивает:
Щит водогрейного котла показывает:
Щит водогрейного котла автоматическую остановку с индикацией причины аварии при:
Элементы для управления вентилятором устанавливаются в щите управления котлом.
Элементы управления дымососом и насосом устанавливаются в электросиловом щите котельной.
Автоматика водогрейного котла обеспечивает:
Автоматика водогрейного котла показывает:
Автоматика водогрейного котла осуществляет автоматическую остановку с индикацией причины аварии при:
Элементы для управления вентилятора и дымососом устанавливаются в блоке управления котлом.
Элементы управления насосом устанавливаются в общекотельном щите.
Водогрейный твердотопливный стальной отопительный котел на дровах 700 кВт, предназначен для получения горячей воды номинальной температурой на выходе из котла от 95 до 115 °С рабочим давлением до 0,6 (6,0) МПа (кгс/см), используемой в системах централизованного теплоснабжения на нужды отопления, горячего водоснабжения. Устанавливается в производственных, промышленных и отопительных котельных.
Монтаж водогрейного котла на дровах 700 кВт и вспомогательного оборудования в котельной должно производиться в соответствии с проектом и учетом требований СП 89.13330. 2016 «Котельные установки. Актуализированная редакция СНиП II-35-76» и «Правил устройства и безопасной эксплуатации паровых котлов с давлением пара не более 0,07 МПа (0,7 кгс/см2), водогрейных котлов и водоподогревателей с температурой нагрева воды не выше 388 К (115 С). Правильный монтаж котла – залог его надежной и долгой работы.
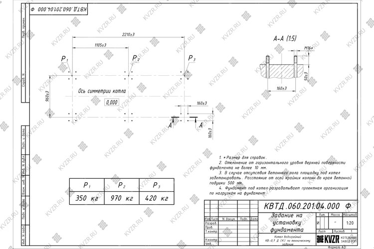
Чтобы правильно подключить котел на дровах 700 кВт в котельной необходимо оставить проемы для обслуживания оборудования во время эксплуатации. На представленной здесь схеме указаны их минимальные размеры. Кроме того, в данной примерной схеме монтажа водогрейных котлов и оборудования указан перечень минимально необходимого вспомогательного оборудования для правильной работы котла.
К вспомогательному оборудованию при подключении промышленного водогрейного котла на дровах относят - щит управления котлом, насос циркуляционный, насос подпиточной воды, бак запаса воды, расширительный мембранный бак, дымовую трубу, систему газоходов и дымосос, золоуловитель (по желанию).
В случае если подпиточная вода не соответствует по своим характеристикам требованиям к питательной воде, необходимо предусмотреть систему водоподготовки котловой воды.
Для котельных 1 категории, являющиеся единственным источником тепла системы теплоснабжения и обеспечивающие потребителей первой категории, не имеющих индивидуальных резервных источников тепла, необходимо предусмотреть полное резервирование оборудования – подключение 2 (двух) котлов, насосов, ТДМ. Пунктиром обозначено оборудование для резервирования.
Для котельных 2 категории, включающие в себя промышленные и производственные котельные резервирование нужно предусматривать по необходимости.
Воздух в водогрейный котел на дровах 700 кВт подается вентилятором поддува через топочный короб под слой древесного топлива для обеспечения горения. На боковой панели топки котла имеется пробоотборочный штуцер для подключения манометра и тягонапорометра.
Автоматика котла по данным тягонапорометра производит контроль разряжения в топочной камере, блокируя работу вентилятора в случае снижения разряжения в топочной камере, и исключая выбивание дымовых газов из топки в котельный зал. Из топки дымовые газы поступают в первый конвективный пакет, разворачиваются в поворотном коробе и через второй конвективный пакет выходят в газоходы котельной.
Для ручной регулировки тяги и дутья и режимов горения древесного топлива в комплекте котла предусмотрены шиберы. Шибер на воздуховоде подачи в топочный короб регулирует количество воздуха подаваемого вентилятором. Шибер на выходе из котла позволяет произвести отключение котла от общей магистрали газоходов котельной, а также регулировку тяги создаваемой дымососом.
При работе котла на дровах 700 кВт на древесном топливе дополнительная очистка дымовых газов с помощью золоуловителей не нужна. Схема подключения при этом следующая - дымовые газы выходят из котла в газоходы котельной, затем в дымосос и далее снова по газоходам в дымовую трубу. В зависимости от компоновки котельной дымосос может устанавливаться как в котельной, так и на улице. Наш завод производит газоходы и переходники к ним. Получив схему вашей котельной мы можем изготовить для вас комплект газоходов, переходников нужных размеров и сечений. На месте такие детали собираются как конструктор. Обращаем ваше внимание, что газоходы требуют изоляции, для защиты персонала от ожогов, так как уходящие газы имеют высокую температуру, а на улице газоходы требуют изоляции для избежания образования конденсата.
Золоуловитель для промышленного дровяного котла на дровах 700 кВт обычно требуется устанавливать в котельных расположенных в жилой зоне и по требованию надзорных органов. Они позволяют произвести дополнительную очистку дымовых газов перед их выбросом в атмосферу. Золоуловители нашего завода могут устанавливаться как сразу за котлом, так и снаружи котельной. Кроме очистки воздуха золоуловители увеличивают сопротивление в газовом тракте, поэтому при их установке требуется дымосос большей мощности.
Образец тепловой схемы подключения дровяного котла на дровах 700 кВт и вспомогательного оборудования в котельной приведен на данной схеме. При эксплуатации очень важно грамотно осуществить подключение оборудования, установить все контрольно измерительные приборы, для контроля параметров работы котельной и запорную арматуру для оперативного переключения потока теплоносителя при плановой или аварийной остановке оборудования. Данную схему можно использовать как пример для разработки под свой объект или заказать у нас разработку индивидуальной схемы для вашей котельной.
При монтаже котла на дровах 700 кВт на участке водоподводящего трубопровода после задвижки, непосредственно перед входом во входной и на выходном трубопроводах устанавливаются по одному манометру и термометру. На входе или выходе из котла устанавливается устройство контроля расхода теплоносителя (реле протока). Кроме того, на выходном трубопроводе устанавливаются не менее двух предохранительных клапанов - один рабочий, второй резервный.
Все приборы, кроме реле протока входят в комплектацию котла. Реле протока входит в комплектацию щита управления данного котла, щит покупается отдельно.
Водогрейные котлы производства Котельный завод "РЭП" соответствуют строгим стандартам качества и безопасности. Завод производит котлы в соответствии с требованиями ГОСТ 30735-3001 по Техническим Условиям завода.
Котлы имеют все необходимые сертификаты соответствия Техническим регламентам Таможенного союза:
Водогрейный котел на дровах 700 кВт имеет гарантийный срок 24 месяца и срок работы при соблюдении правил монтажа и эксплуатации оборудования 10 лет.

Отзыв о работе котла КВр производства Котельный завод "РЭП", проработавшего на АО "Водоканал" г. Белокуриха 10 лет. Интервью предоставил заместитель главного директора по производству Суходоев Сергей Николаевич.

Интервью с главным энергетиком базового комплекса "Сводор" г. Барнаул о работе водогрейного котла нашего производства, отапливающего предприятие с 2008 года.
Водогрейный котел 700 кВт на дровах используется в котельных для отопления производственных, административных и жилых зданий. Котельный завод производит и поставляет весь перечень сопутствующего котельного оборудования- насосы, газоходы, автоматику, дымососы, дымовые трубы, циклоны и прочее. Специалисты нашего завода бесплатно подберут сопутствующее оборудование, а в случае необходимости, выполнят проектирование, монтаж и пуско-наладку котельной установки.
Подобрать мощность котла по площади важно учитывая не только площадь и объем здания, но и тип зданий и климатические данные региона.
На нашем сайте калькулятор расчета мощности котла учитывает тепло, требуемое на возмещение тепловых потерь через строительные конструкции и потери, вызываемые инфильтрацией (проникновением) наружного воздуха, через их неплотности и периодически открываемые двери.
Наружный строительный объем здания должен определяться умножением площади горизонтального сечения, взятого по внешнему обводу здания на уровне первого этажа на полную высоту здания, измеренную для панельных зданий: от уровня чистого пола (нулевой отметки) до верхней плоскости теплоизоляционного слоя чердачного покрытия, для остальных строений от уровня земли.
Расчетная температура воздуха в отапливаемых зданий принимается в зависимости от типа и назначения здания:
В случае если требуется отопление различных по типу зданий, теплопотребление каждого считается отдельно, полученные значения складываются и подобрать мощность котла нужно в соответствии с общей суммарной мощностью каждого отдельно стоящего задания.
Климатические условия вашего региона принимаются в соответствии с СП 131.13330 Строительная климатология. Данные по всем регионам России занесены в наш калькулятор расчета мощности котла.
Подобрать мощность котла по площади с учетом потребностей объекта в тепле на вентиляцию и горячую воду возможно только с более детальным расчетом. Его вы можете заказать в отделе сбыта котельного завода отправив заявку на электронный адрес sb@kvzr.ru или позвонив по телефонам (38-52) 29-97-41, 29-97-42.